
MIL-PRF-24755B(SH)
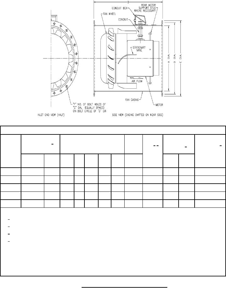
Interface and Physical Data
No. of
Airflow
1/
Motor Data
Dimensions
Bolt
Set 2/,3/
Maximum 4/
Fan
(CFM) 4/
Holes
Effective
Size
Weight
Stall
Code
(lb)
12 in
14 in
Max HP
RPM
A
B
C
D
E
F
W.G.
W.G.
23⅝
20⅛
17
23¼
24
580
1320
1200
1020
101
10
3600
30
/32
23¼ 24⅝
21⅛
17
24
750
1980
1800
1530
102
10
3600
31
/32
24⅝
21⅛
17
23¼
24
750
2640
2400
2040
103
10
3600
32
/32
24⅝
21⅛
17
23¼
24
750
3960
3600
3060
104
15
3600
33
/32
24⅝
21⅛
17
23¼
24
750
5940
5400
4590
105
20
3600
35
/32
NOTES:
1/
Motor horsepower (HP) and speed (RPM) are given at 440 Volts Alternating Current (VAC), 3-phase, 60 Hz.
2/
Weight for fan with 149 °F (65 °C) ambient motor.
3/
All weights are approximate.
4/
Maximum effective stall shall be greater of the three following capacity values used to measure aerodynamic
stall:
a.
Throttled stall capacity airflow at stall entering condition while closing discharge.
b.
Stall recovery capacity airflow at recovery from stall condition while opening discharge.
c.
Stable start-up capacity airflow at stall free operation from a no-spin condition while using
consecutive larger fixed discharge openings.
FIGURE 1. High pressure fan-interface and physical data.
18
For Parts Inquires call Parts Hangar, Inc (727) 493-0744
© Copyright 2015 Integrated Publishing, Inc.
A Service Disabled Veteran Owned Small Business